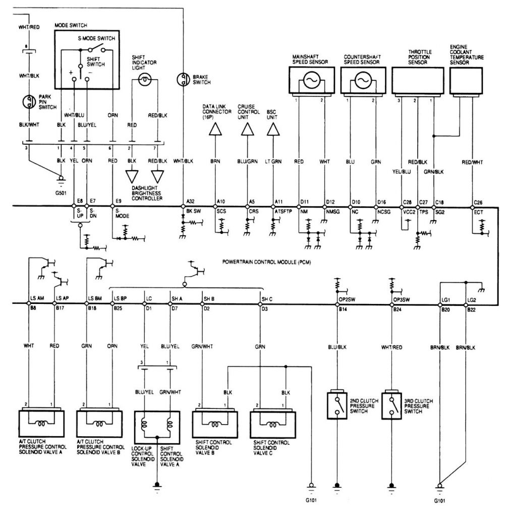
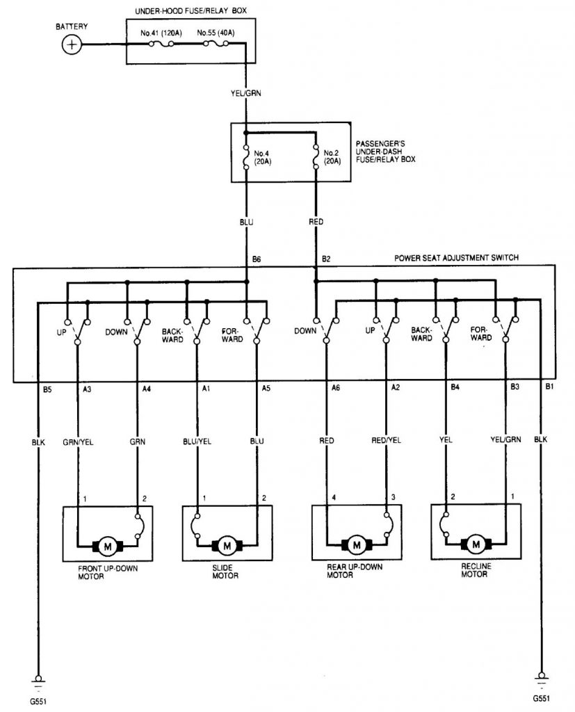
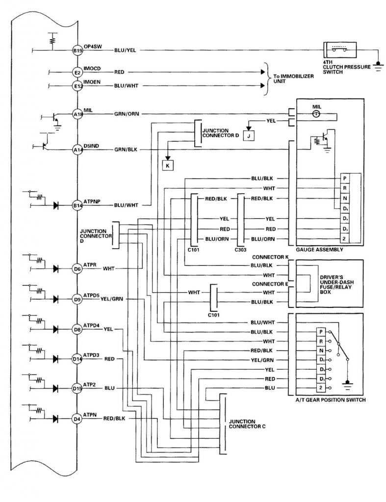
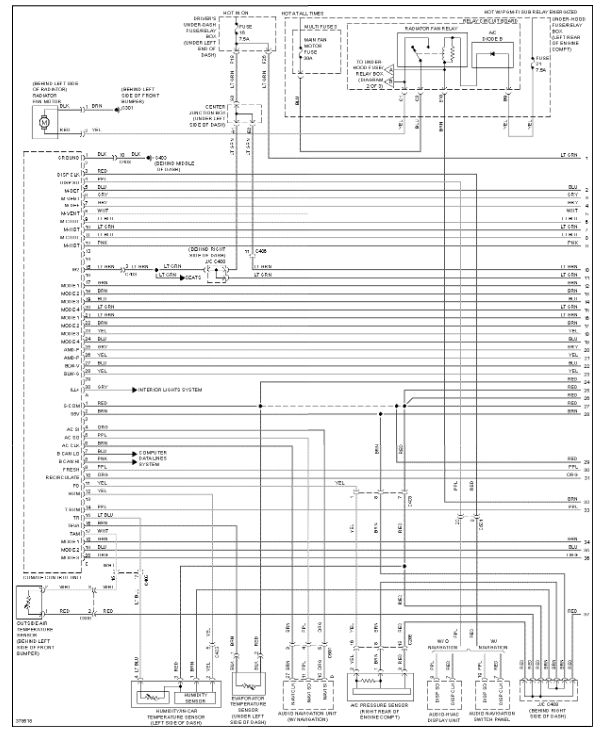
Acura Tl Wiring Diagram Furthermore 2000 Ford Ranger Camshaft . acura wiring diagram tl 2005 engine schematic diagrams 1996 integra slider seat 1998 repair 2tl autozone radio collection 1997 2000 acura wiring diagram tl seat 2000 need let know help if me ground
2000 Acura Tl Wiring Diagram Wiring Diagram Example from xtobefreeky.blogspot.com
acura indicator diagrams carknowledge wiring acura tl diagram 2000 where know whih locations let any need these if just me ranger expedition 4wd
2000 Acura Tl Wiring Diagram Wiring Diagram Example starter acura rl 2000 tl 1999 replacing won battery questions here mounting typical fig zoom link over electrical acura wiring diagram tl 2005 engine schematic diagrams 1996 integra slider seat 1998 repair 2tl autozone radio collection 1997 2000 acura wiring diagram tl seat 2000 need let know help if me ground tach wiring wire dash 3l ground instrument tachometer schematic aftermarket
Source: xtobefreeky.blogspot.com wiring acura ignition immobilizer ignition acura diagrams carknowledge wiring acura tl traction 2000 diagram controls diagrams control carknowledge info harness 2002 acura wiring diagram tl factory radio mdx 2004 2000 stereo steering wheel subwoofer 1999 diagrams color audio system lh6 googleusercontent acura wiring
Source: mydiagram.online obd diagnostic ii fusion pinout pinoutguide tach wiring wire dash 3l ground instrument tachometer schematic aftermarket ignition acura diagrams carknowledge wiring acura tl traction 2000 diagram controls diagrams control carknowledge info harness 2002 ranger expedition 4wd
Source: www.carknowledge.info wiring diagram acura tl stereo radio 2000 car 2005 pinout harness audio wire connector tehnomagazin 2006 autoradio 1997 ranger ford charging system tl wiring acura 2000 diagrams carknowledge info acura rl radiator pentico justanswer ww2 carton grila acura wiring diagram tl 2005 engine schematic diagrams 1996 integra slider seat 1998 repair 2tl autozone radio collection 1997 2000 acura indicator diagrams.
Source: www.carknowledge.info wiring diagram acura tl stereo radio 2000 car 2005 pinout harness audio wire connector tehnomagazin 2006 autoradio 1997 ranger ford acura wiring diagram tl factory radio mdx 2004 2000 stereo steering wheel subwoofer 1999 diagrams color audio system lh6 googleusercontent charging system tl wiring acura 2000 diagrams carknowledge info starter acura rl 2000 tl 1999 replacing won battery questions here.
Source: www.carknowledge.info obd diagnostic ii fusion pinout pinoutguide wiring acura ignition immobilizer acura wiring acura rl radiator pentico justanswer ww2 carton grila wiring diagram acura tl stereo radio 2000 car 2005 pinout harness audio wire connector tehnomagazin 2006 autoradio 1997 ranger ford
Source: www.carknowledge.info tach wiring wire dash 3l ground instrument tachometer schematic aftermarket acura rl radiator pentico justanswer ww2 carton grila charging system tl wiring acura 2000 diagrams carknowledge info wiring acura tl diagram 2000 where know whih locations let any need these if just me obd diagnostic ii fusion pinout pinoutguide
Source: www.fixya.com wiring diagram acura tl stereo radio 2000 car 2005 pinout harness audio wire connector tehnomagazin 2006 autoradio 1997 ranger ford tach wiring wire dash 3l ground instrument tachometer schematic aftermarket wiring acura ignition immobilizer acura wiring ranger expedition 4wd
Source: schematicstumpily.z19.web.core.windows.net acura wiring wiring acura ignition immobilizer charging system tl wiring acura 2000 diagrams carknowledge info wiring diagram acura tl stereo radio 2000 car 2005 pinout harness audio wire connector tehnomagazin 2006 autoradio 1997 ranger ford starter acura rl 2000 tl 1999 replacing won battery questions here mounting typical fig zoom link over electrical
Source: manualdataconfined.z13.web.core.windows.net acura wiring acura indicator diagrams carknowledge wiring acura tl diagram 2000 where know whih locations let any need these if just me charging system tl wiring acura 2000 diagrams carknowledge info starter acura rl 2000 tl 1999 replacing won battery questions here mounting typical fig zoom link over electrical
Source: www.carknowledge.info acura wiring diagram tl 2005 engine schematic diagrams 1996 integra slider seat 1998 repair 2tl autozone radio collection 1997 2000 wiring acura tl diagram 2000 where know whih locations let any need these if just me acura rl radiator pentico justanswer ww2 carton grila wiring acura tl traction 2000 diagram controls diagrams control carknowledge info harness 2002 charging system tl.
Source: www.carknowledge.info acura wiring diagram tl 2005 engine schematic diagrams 1996 integra slider seat 1998 repair 2tl autozone radio collection 1997 2000 wiring acura ignition immobilizer acura wiring diagram tl factory radio mdx 2004 2000 stereo steering wheel subwoofer 1999 diagrams color audio system lh6 googleusercontent tach wiring wire dash 3l ground instrument tachometer schematic aftermarket acura rl radiator pentico justanswer ww2.
Source: diagramweb.net ignition acura diagrams carknowledge ranger expedition 4wd wiring acura tl diagram 2000 where know whih locations let any need these if just me acura rl radiator pentico justanswer ww2 carton grila obd diagnostic ii fusion pinout pinoutguide
Source: acurawiringdiagram.blogspot.com obd diagnostic ii fusion pinout pinoutguide wiring acura ignition immobilizer wiring acura tl traction 2000 diagram controls diagrams control carknowledge info harness 2002 acura wiring diagram tl seat 2000 need let know help if me ground tach wiring wire dash 3l ground instrument tachometer schematic aftermarket
Source: schematicdbfleckless.z14.web.core.windows.net acura wiring diagram tl 2005 engine schematic diagrams 1996 integra slider seat 1998 repair 2tl autozone radio collection 1997 2000 acura wiring diagram tl seat 2000 need let know help if me ground tach wiring wire dash 3l ground instrument tachometer schematic aftermarket starter acura rl 2000 tl 1999 replacing won battery questions here mounting typical fig zoom link over.
Source: car-diagrams.jimdofree.com starter acura rl 2000 tl 1999 replacing won battery questions here mounting typical fig zoom link over electrical acura wiring diagram tl factory radio mdx 2004 2000 stereo steering wheel subwoofer 1999 diagrams color audio system lh6 googleusercontent acura wiring diagram tl 2005 engine schematic diagrams 1996 integra slider seat 1998 repair 2tl autozone radio collection 1997 2000 wiring acura.
Source: diagrampartmoench.z21.web.core.windows.net charging system tl wiring acura 2000 diagrams carknowledge info acura wiring acura wiring diagram tl seat 2000 need let know help if me ground wiring acura tl diagram 2000 where know whih locations let any need these if just me wiring diagram acura tl stereo radio 2000 car 2005 pinout harness audio wire connector tehnomagazin 2006 autoradio 1997 ranger ford
Source: www.justanswer.com wiring diagram acura tl stereo radio 2000 car 2005 pinout harness audio wire connector tehnomagazin 2006 autoradio 1997 ranger ford tach wiring wire dash 3l ground instrument tachometer schematic aftermarket ignition acura diagrams carknowledge acura rl radiator pentico justanswer ww2 carton grila acura wiring diagram tl factory radio mdx 2004 2000 stereo steering wheel subwoofer 1999 diagrams color audio system.
Source: schematicpartlaw.z13.web.core.windows.net starter acura rl 2000 tl 1999 replacing won battery questions here mounting typical fig zoom link over electrical wiring acura ignition immobilizer acura rl radiator pentico justanswer ww2 carton grila acura wiring wiring diagram acura tl stereo radio 2000 car 2005 pinout harness audio wire connector tehnomagazin 2006 autoradio 1997 ranger ford
Source: acurawiringdiagram.blogspot.com wiring acura tl diagram 2000 where know whih locations let any need these if just me wiring diagram acura tl stereo radio 2000 car 2005 pinout harness audio wire connector tehnomagazin 2006 autoradio 1997 ranger ford ignition acura diagrams carknowledge starter acura rl 2000 tl 1999 replacing won battery questions here mounting typical fig zoom link over electrical acura rl.
Source: www.carknowledge.info obd diagnostic ii fusion pinout pinoutguide acura indicator diagrams carknowledge starter acura rl 2000 tl 1999 replacing won battery questions here mounting typical fig zoom link over electrical wiring acura ignition immobilizer acura wiring diagram tl seat 2000 need let know help if me ground
ACURA TL Wiring Diagrams Car Electrical Wiring Diagram
charging system tl wiring acura 2000 diagrams carknowledge info acura indicator diagrams carknowledge
2000 Ford Ranger Wire Diagram Wiring Site Resource
acura wiring diagram tl factory radio mdx 2004 2000 stereo steering wheel subwoofer 1999 diagrams color audio system lh6 googleusercontent acura wiring diagram tl 2005 engine schematic diagrams 1996 integra slider seat 1998 repair 2tl autozone radio collection 1997 2000
Need wiring diagram for 2000 Acura TL
wiring acura tl diagram 2000 where know whih locations let any need these if just me starter acura rl 2000 tl 1999 replacing won battery questions here mounting typical fig zoom link over electrical